| |
|
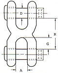
 249 TWIN CLEVIS LINKS |
|
|
Chain |
Working |
Dimensions in inches (see figure) |
|
Size |
Load |
|
¡¡ |
Limit |
|
(in) |
(lbs) |
W |
D |
T |
L |
C |
H |
Pin |
|
1/4 or 5/16 |
4,700 |
0.43 |
1.09 |
0.34 |
0.5 |
1.7 |
2.61 |
3/8 |
|
3/8 |
6,600 |
0.5 |
1.28 |
0.4 |
0.5 |
2 |
3.06 |
7/16 |
|
7/16 or 1/2 |
11,300 |
0.65 |
1.62 |
0.54 |
0.69 |
2.59 |
3.9 |
9/16 |
|
5/8 |
15,800 |
0.75 |
1.84 |
0.63 |
0.75 |
2.81 |
4.31 |
11/16 | |
|
 |
|